Zahnrad Power Skiving MaschineGleason-Pfauter
300 PS
Zahnrad Power Skiving Maschine
Gleason-Pfauter
300 PS
Baujahr
2023
Zustand
Gebraucht
Standort
Hameln-Pyrmont 

Bilder zeigen
Karte zeigen
Daten zur Maschine
- Maschinenbezeichnung:
- Zahnrad Power Skiving Maschine
- Hersteller:
- Gleason-Pfauter
- Modell:
- 300 PS
- Baujahr:
- 2023
- Zustand:
- neuwertig (gebraucht)
Preis & Standort
- Standort:
- 31 Hameln, Deutschland

Anrufen
Details zum Angebot
- Inserat-ID:
- A215-82333
- Referenznummer:
- 2950004
- Aktualisierung:
- zuletzt am 24.03.2026
Beschreibung
Allgemeine Daten
• Maschinentyp: Wälzschälmaschine
• Maschinennummer: 32335
• Baujahr: 2023
• Betriebsstunden: unbekannt (Die Maschine wurde nur zu Testzwecken eingesetzt und nie in der Produktion verwendet.)
Maschinenbeschreibung
Ijdpfx Aoywyt Ssnajia
• Wälzschälmaschine für die Bearbeitung von weichen und harten Werkstoffen
• Zur Herstellung von schälbaren Profilen an zylindrischen Werkstücken
• Besonders geeignet für innen- und außenverzahnte Zylinderräder
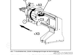
• Ausgestattet mit integrierter Nachschärfeinheit
• Achsen der Nachschärfeinheit: +A3, +C3, +X3
• Integrierter Schwenkgreifer für die Werkstückhandhabung
• Werkstücke werden von der Übergabestation auf den Werkstücktisch transportiert
• Bearbeitung erfolgt mittels Schälscheibe
• Die Maschine war vorübergehend in einem anderen Werk installiert
• Die Maschine wurde Berichten zufolge nur für eine Stunde betrieben Kurze Probezeit
Maschinenspezifikation
Werkstückabmessungen
• Innendurchmesserbereich: 40 – 300 mm
• Außendurchmesserbereich: bis zu 450 mm
Spindel
• Werkzeugspindel (C2): 2.990 min⁻¹
• Schleifspindel der Nachschärfeinheit (C3): 12.000 min⁻¹
Werkzeughalter
• Werkzeugschnittstelle: HSK B125
Steuerungssystem
• Steuerung: Sinumerik 840 D
Besondere Spezifikationen
• Integrierte Nachschärfeinheit mit den Achsen +A3, +C3 und +X3
• Integrierter Schwenkgreifer für den automatisierten Werkstücktransport
Sonstiges
• Gesamtleistungsaufnahme: ca. 100 kVA
• Betriebsspannung: 400 V AC / 50 Hz
• Maschinenabmessungen: ca. 3.900 x 5.700 x 5.400 mm (H x B x T)
• Maschinengewicht: ca. 11.000 kg
Optionales Zubehör
• Hydraulikaggregat
• Späneförderer
• Kühlmittelkühler mit Filter und Zentrifuge
• Maschinentyp: Wälzschälmaschine
• Maschinennummer: 32335
• Baujahr: 2023
• Betriebsstunden: unbekannt (Die Maschine wurde nur zu Testzwecken eingesetzt und nie in der Produktion verwendet.)
Maschinenbeschreibung
Ijdpfx Aoywyt Ssnajia
• Wälzschälmaschine für die Bearbeitung von weichen und harten Werkstoffen
• Zur Herstellung von schälbaren Profilen an zylindrischen Werkstücken
• Besonders geeignet für innen- und außenverzahnte Zylinderräder
• Ausgestattet mit integrierter Nachschärfeinheit
• Achsen der Nachschärfeinheit: +A3, +C3, +X3
• Integrierter Schwenkgreifer für die Werkstückhandhabung
• Werkstücke werden von der Übergabestation auf den Werkstücktisch transportiert
• Bearbeitung erfolgt mittels Schälscheibe
• Die Maschine war vorübergehend in einem anderen Werk installiert
• Die Maschine wurde Berichten zufolge nur für eine Stunde betrieben Kurze Probezeit
Maschinenspezifikation
Werkstückabmessungen
• Innendurchmesserbereich: 40 – 300 mm
• Außendurchmesserbereich: bis zu 450 mm
Spindel
• Werkzeugspindel (C2): 2.990 min⁻¹
• Schleifspindel der Nachschärfeinheit (C3): 12.000 min⁻¹
Werkzeughalter
• Werkzeugschnittstelle: HSK B125
Steuerungssystem
• Steuerung: Sinumerik 840 D
Besondere Spezifikationen
• Integrierte Nachschärfeinheit mit den Achsen +A3, +C3 und +X3
• Integrierter Schwenkgreifer für den automatisierten Werkstücktransport
Sonstiges
• Gesamtleistungsaufnahme: ca. 100 kVA
• Betriebsspannung: 400 V AC / 50 Hz
• Maschinenabmessungen: ca. 3.900 x 5.700 x 5.400 mm (H x B x T)
• Maschinengewicht: ca. 11.000 kg
Optionales Zubehör
• Hydraulikaggregat
• Späneförderer
• Kühlmittelkühler mit Filter und Zentrifuge
Ihr Inserat wurde erfolgreich gelöscht
Ein Fehler ist aufgetreten





































































































